Design. Refine. Filter. FilterWizard® LAUNCH NOW!

Ceramic Fixed Bandpass Filters


Dielectric Resonators Ceramic Filters

Dielectric Resonator

In Housings

Ceramic Filters are offered in dielectric and connectorized forms, delivering superior high Q performance in a smaller sized package. VHF and UHF in bandpass and bandreject designs.

Frequency Range: 0.27 to 3 GHz

Bandwidth: 1% to 30%


K&L’s Dielectric Resonator Bandpass Filters are available in standard packages with a basic Chebychev design. Connectors available are SMA and RF pins. Through the use of ceramic technology, this filter series offers superior temperature stability and low insertion loss.

Dielectric Resonators

Frequency (MHz)3 dB % BWVSWRImpedance (Ohms)No. of Sections ShockVibrationTemperatureTemp. StabilityRelative Humidity
500-30001.0-101.5:1503-620 G’s, 1/2 Sine, 11 Ms10 G’s, 10 Hz2000 Hz-40 to +85 °C (Operating)
-50 to +125 °C (Non- Operating)
+2 to +11 ppm/°C0-95%

Example To Order: 3DR20-1000/T50-O/O

Example3DR201000T50OO
Code12345678
CodeDescription
1Number of Sections: 3-6
2Series: DR,DL,DT or DH
3Resonator Size Designator: 4mm , 6mm , others available
4Center Frequency  : 500-3000 MHz
5Supplemental Codes (See Page 13 of Catalog)
6Bandwidth : 1.0- 10
7Input Connector : See Connector Table
8Output Connector: See Connector Table
ConnectorCode
SMA FemaleO
SMA MaleOP
Gull WIngPX

Dielectric Resonator Line Drawings

Dielectric Resonator Line Drawing 1

Dimensions are determined by MPG Wizards outline.

Dielectric Resonator Line Drawing 2

Dimensions are determined by MPG Wizards outline.

Dielectric Resonator Attenuation

Dielectric Resonator Attenuation
Dielectric Resonator Attenuation
Ceramic Filters

Open Frame Ceramic Filters

  • Designed for Low Cost While Providing High “Q” Response
  • Extremely Temperature Stable
  • Covers the 270 MHz to 3000 MHz Frequency Range
  • 3 dB BW Available up to 10%
  • Designs Available in 3-6 Sections
  • Chebyshev Design Response
  • Series 3 and 5 are ROHs compliant
  • See page 46 for Reflow Profile and Suggested Mounting Information.

Find Products Catalog

Open Frame

Frequency (MHz)3 dB % BWVSWRImpedance (Ohms)No. of Sections ShockVibrationTemperatureTemp. StabilityRelative Humidity
500-30001.0-101.5:1503-620 G’s, 1/2 Sine, 11 Ms10 G’s, 10 Hz2000 Hz-40 to +85 °C (Operating)
-50 to +125 °C (Non- Operating)
+2 to +11 ppm/°C0-95%

PCB Layout

DR 23, 33 Series Depicted

Ceramic Filters PCB Layout 22, 23

Dimensions are determined by MPG Wizards outline.

DR 25, 35 Series Depicted

Ceramic Filters PCB Layout 25, 35

Dimensions are determined by MPG Wizards outline.

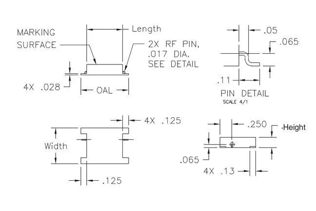
Mechanical

Note: Dimensions for 1000 MHz filters shown

3DR23-1000/U20-1.9

Ceramic Filters Line Drawing 2

Surface Mounting - Tab

3DR25-1000/U20-1.9 Leadless Surface Mount - Series 5

Ceramic Filters Line Drawing 1

This mounting configuration offers best isolation.

Typical Reflow Profile/Installation Notes

reflow

Installation Notes:
* The rate of heating and cooling must be controlled to preclude thermal cracking of the devices.Processes, heating or cooling, should not exceed a rate of 200°C per minute. Spikes must not exceed 100°C maximum for any solder operation. Avoid forced cooling or contact with heat sinks, such as conveyor belts, metal tables or cleaning solutions, before the units reach ambient temperatures.

  • A typical re-flow profile is provided above.
  • All solder-able surfaces must be free of contaminants for maximum solder ability
  • The relative mass of all components should be considered when establishing a re-flow procedure.
  • Higher density board populations may take longer to achieve re-flow temperatures.
  • SMT Products can be cleaned via solvent based, aqueous, semi-aqueous, and alcohol based systems.
  • Units must be completely dried as moisture could cause false electrical performance readings.
  • Mishandling of product may result in damage to the device (please do not bend RF leads, if applicable
  • All SMT filters are assembled using SN96 high temperature solder, as a minimum.
  • K&L recommends that customers use SN60 or SN63 or an equivalent during installation for signal and ground connections.
  • The rate of heating and cooling must be controlled to preclude thermal cracking of the devices.
  • Processes, heating or cooling, should not exceed a rate of 200°C per minute.
  • Spikes must not exceed 100°C maximum for any solder operation.
  • Avoid forced cooling or contact with heat sinks, such as conveyor belts, metal tables or cleaning solutions, before the units reach ambient temperatures.

Product Family

About The Technology

MPG_KL_BP_F_Cer_4DR10-1227.6-U24-PX-PX

Ceramic Fixed Bandpass Filters

Dielectric resonator filters are available as an open frame or packaged product, supporting narrow bandwidths and low insertion loss, designed for applications requiring superior temperature stability and high Q response. . Packaged RF Ceramic Filters can be sealed to gross or fine leak specifications and are available in connectorized form or with gull-wing or flat pack hermetic pins for input and output connections. The entire line of Ceramic Filters is extremely temperature stable and comes at a lower cost point than other available filters, adding to the overall value of the product.

Product Inquiry

Resources

Features & Specifications

Affording higher “Q” factors than Lumped Element Filters of a similar size, RF Ceramic Filters offer temperature stability and low insertion loss.

Frequency: VHF and UHF from 0.27 to 3 GHz (L band, S band)

Features: Microwave Ceramic Filters are available in bandwidths from 1% to 30% and configurations of 2 to 12 sections in a metal enclosure or open frame design. RF Ceramic Filters are available in a Q range of 500 to 1500 with bandpass and bandreject designs available.

Benefits

MPG_Modular_Badge-140x100

MODULAR

MPG_SWaP_Badge-140x100

SWaP

MPG_Custom_Design_Badge-140x100

CUSTOM DESIGN

Applications

MPG's RF Ceramic Filters offer high-quality performance in a small package size, making them ideal for tight configurations, including those in the following markets: defense, EW, RADAR, communications, SATCOM, telecom, SIGINT, aerospace, space, automated test equipment, navigation/GPS and data links.

Contact